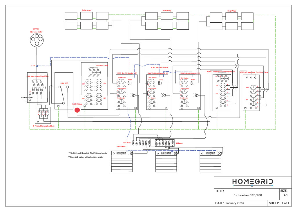
HomeGrid - 3x Inverters 120/240V Diagram

Modified on Mon, 22 Apr, 2024 at 1:32 PM

https://cdn.sanity.io/files/xcmp4e9i/production/ddff6dee15db7eba5af0ba23e5869c7195509742.pdf

Was this article helpful?

That’s Great!

Thank you for your feedback

Sorry! We couldn't be helpful

Thank you for your feedback

Let us know how can we improve this article!

Select at least one of the reasons
CAPTCHA verification is required.

Feedback sent

We appreciate your effort and will try to fix the article